國標液冷充電槍規格書
(GB20234.3-2015標準液冷充電槍系統)
洛陽正奇機械有限公司
2019年6月
1.簡介
新能源電動汽車沒有尾氣排放,環保,替代燃油汽車是必然趨勢。目前影響新能源電動汽車發展的兩大主要因素是:電池的續航里程和充電用時長的問題。隨著動力電池的研發和技術的不斷突破,新能源電動汽車的續航里程已經由150km提升到了400km,續航里程短的問題基本上得到了解決;但是,充電用時長的問題還沒有解決。
目前GB20234.3-2015標準充電槍上標配的干式集成線纜外徑小于40mm,軟體導線DC+、DC-的截面積是70mm2,它標稱能夠承載的最大電流是250A。事實是承載250A的電流指標達不到,根據市場反饋的信息,在實際使用過程中它能夠承載的安全電流是180A。因為充電過程中干式電纜的軟體導線產生的熱不能很好的散去,因此,它不能夠承載大電流,若要承載200A的電流連續工作,也會導致溫度過高,致使充電樁控制系統高溫報警而不能正常工作。
若要很好地推廣和發展新能源電動汽車,必須解決快速充電問題。要解決快速充電問題,需要使用大功率直流充電樁。目前國內設計的大功率直流充電樁,它的功率在300kw到500kw之間,輸出直流電流300到500A之間。大功率直流充電樁是由電源、充電槍、連接充電樁電源和充電槍的液冷線纜構成。
大功率直流充電樁配置的液冷線纜,它是一根集成電纜,外徑尺寸為39mm,符合人體工程,方便使用。內含液冷電纜DC+、DC-各一根,還有多根信號線。DC+、DC-液冷電纜的結構相同,它的一端是電極,該電極連接大功率直流充電樁電源;它的另一端是液冷充電槍的端子,液冷充電槍DC+、DC-的端子的內部是空腔結構,它和液冷線纜密封連接。
冷卻液使用45#變壓器油。它在零下45℃不會結冰,,它的燃點是146℃,絕緣,導熱效果好。在液冷線纜內部,通過循環流動的冷卻液,冷卻液穿過液冷線纜的軟體導線,直接到達充電槍DC+、DC-端子的空腔底部,對充電槍DC+、DC-的端子和液冷線纜的軟體導線進行冷卻,循環流動的冷卻液帶走充電槍DC+、DC-的端子和液冷線纜的軟體導線在充電過程中產生的熱,冷卻液回到冷卻系統冷卻后循環使用。保證充電槍DC+、DC-的端子和液冷線纜的軟體導線在充電過程中安全可靠的工作,不會因溫度過高而釀成事故。
液冷線纜充電槍系統,基于GB20234.3-2015標準的基礎上,對其充電槍,電纜采用液冷技術進行冷卻以后,使其充電電流由標稱的250A,可以實際提升到500A,并能安全長期地工作,其性能提升以后,可以有效的縮短充電時間,解決新能源電動汽車充電用時長的問題。
2.大功率國標液冷充電系統
2.1 大功率國標液冷充電系統組成
大功率液冷充電系統組成詳見下表:
大功率液冷充電系統組成一覽表
|
系統名稱 |
系統組成 |
備注 |
|
大功率液冷充電系統 |
液冷充電槍 |
符合GB20234.3-2015 |
|
液冷電纜 |
匹配GB20234.3-2015充電槍 |
|
|
液冷源 |
油泵 |
|
|
油箱 |
||
|
散熱器 |
||
|
冷卻液 |
45#變壓器油(零下45°不會結冰) |
2.2 大功率國標液冷系統性能指標
|
序號 |
性能指標 |
參數值 |
|
1 |
電性能 |
|
|
1.1 |
額定電壓 |
1000V DC |
|
1.2 |
額定電流 |
400A |
|
1.3 |
額定功率 |
400KW |
|
1.4 |
耐電壓 |
3000V AC,功率孔位與信號孔位之間 500V AC 信號孔位之間 |
|
1.5 |
絕緣電阻 |
500MΩ (500V DC) |
|
2 |
機械性能 |
|
|
2.1 |
機械壽命 |
10000次 |
|
2.2 |
鎖緊力 |
200N |
|
3 |
環境性能 |
|
|
3.1 |
使用環境溫度 |
-30~50℃ |
|
3.2 |
工作溫度 |
-30~90℃ |
|
3.3 |
表面溫度 |
接觸件≤90℃(實際測試≤55℃) 手握部位≤55℃ |
|
3.4 |
防護等級 |
插頭與防塵蓋:IP54 插頭與插座插合:IP55 |
|
4 |
液冷電纜 |
|
|
4.1 |
最大長度 |
10m |
|
4.2 |
線纜外徑 |
39mm |
|
4.3 |
功率線規格 |
35mm2 |
|
5 |
冷卻回路 |
|
|
5.1 |
冷卻液 |
45#變壓器油(零下45℃不會結冰) |
|
5.2 |
進液管外徑/內徑 |
ф8/ф6 |
|
5.3 |
進液管外徑/內徑 |
ф8/ф6 |
|
5.4 |
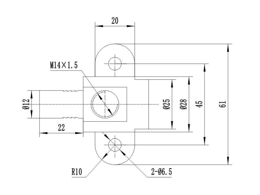
與充電樁電源連接的電極(端子),有兩種結構供用戶選用。 |
特制液冷端子
|
|
5.5 |
冷卻回路 |
每個特制液冷端子上同時設置有進液口和出液口,DC+,DC-構成單獨的冷卻回路,互不干擾 |
|
6 |
液冷源 |
|
|
6.1 |
額定電壓 |
220V AC |
|
6.2 |
額定功率 |
550W |
|
6.3 |
工作壓力 |
10bar |
|
6.4 |
流量 |
8L/min |
|
6.5 |
冷卻風扇功率 |
90W |
|
6.6 |
噪音 |
≤60分貝 |
|
6.7 |
功能 |
冷卻液工作壓力監控,冷卻液流量監控,冷卻液溫度監控;低壓報警,過壓警報,斷流報警,冷卻液溫度過高報警 |
|
6.8 |
尺寸(長*寬*高) |
550mm*200mm*600mm |
|
6.9 |
與充電樁的通信接口 |
RS485 |
結構一

結構二
聯系人:臧重慶
手機:13938896088
電話:(0379) 62267825
郵箱:zhengqijixie@126.com
地址: 洛陽市老城區邙山鎮水口村北